Inhaltsverzeichnis
Gasheizung, Zusatz- Heizung Truma E 2300 / 3300 ; Gasprüfung, und Allgemeingültiges/Links für 1800 / 2400 , S-Heizung 3002K, Reparaturhinweise, Explosions-Verpuffungsgeräusche
mit welchem Druck soll die Gasanlage betrieben werden, 30mb oder 50mb
Seit dem 01.01.2003 gilt die neue EN 1949 und die EN 12864. Daher dürfen bei Neufahrzeugen und neu zugelassenen Fahrzeugen nur noch Druckregler der neuen Norm mit 30 mbar verwendet werden.
Neuzulassungen dürfen nur noch mit 30 mbar Betriebsdruck ausgerüstet werden. Die Änderung des Betriebsdrucks auf 30 mbar erfolgt im Zuge der EG-Harmonisierung. Es dürfen nur Druckregelgeräte und Verbrauchsgeräte (Heizung, Kocher, Kühlschrank, Boiler usw.) des gleichen Betriebsdrucks in einem Fahrzeug betrieben werden, das heißt:
-30 mbar für Neufahrzeuge,
-30 mbar oder 50 mbar für Fahrzeuge älter als 01.01.2003; dafür gibt es für Einzelgeräte Adapter.
Die Feststellung, welches Gerät vor diesem Termin eingebaut war, steht als Nachweis im Gasprüfungsheft.
Gasflaschen
Die häufigste Verwendung finden Wechsel-Gasflaschen(graue Farbe) mit
-5kg
-11kg, je nach vorhandenem Raumvermögen/Bedarf
Sie werden einmal gekauft und können neu befüllt werden. Der Preis der Kleinen liegt bei ca. 10€ (Stand6/2017) und ist ständig wechselnd.
welche Heizung
Hier muss man grundsätzlich für sich selbst entscheiden, ob sie
-Unterflur oder
-im Innenraum verbauen will.
Die E-Heizungen von TRUMA bieten hier, wegen ihrer geringer Einbaumaße/Geräuschentwicklung und dem Gasverbrauch, die flexibelsten Möglichkeiten.
Kanonenofen, nostalgisch, im LT verbaut
Auch das gibt es!!
Aber es ist sehr ungewöhnlich und kann bei falschem Einbau sehr gefährlich werden! und man sollte, solange Zulassungsvorschriften/-bestimmungen dazu für den LT nicht bekannt sind, diesen Einbauplan nicht realisieren.
Es ist zudem in der Anforderung an das Prüfpersonal noch anspruchsvoller;
-TÜV
-Schornsteinfeger(Feuerstättenabnahme)
und alle sagen zunächst NEIN.
**WARNUNG**
Heizungen sind 100 % nicht der Bereich, in dem man sich als Laie oder „Halbwissender“ begeben sollte!!!
Die Auswirkungen einer falschen Reparatur reichen vom einfachen Versagen der Technik(Zerstörung der Heizung), wegen falscher Reparaturmaßnahme bis zum „Ersticken der Nutzer im Wohnmobil“ oder „der Explosion des LT`s“.
Aus diesem Grunde sind Vorgänge dazu nicht vollständig beschrieben und nur als „Unterstützung“ für Fachleute gedacht.
Spezielle Fragen sollten im Forum gestellt werden.
zur Truma E 2400 gibt es hier weitere Informationen
Informationen zur Truma S 3002 K
die Zusatzheizung /Standheizung Truma Typ S 3002 K und andere gleicher Bauart werden hier nicht beschrieben, weil sie sich in Bauform und Funktion erheblich unterscheiden.
Wegen LEBENSGEFAHR dürfen „Gasherd oder Petroleumlampe oder Kerzen o. ä.“ im Wohnmobil NICHT als HEIZUNG BETRIEBEN werden!!
Für die Truma E 2300 oder 3300 gibt es keine Dokumentation UND auch bei Truma nur noch Ersatzteile, die in neueren Typen verbaut sind.
Diese Heizungen brauchen keine „Brennkammerprüfung“ ; die Brennkammer wird hier auch „Wärmetauscher“ oder „WT“ genannt!
Allgemeines, Hinweise für Heizung/Boiler
Es geht um die E-Heizungen;
ein gemeinsames Teil für alle E-Heizungen und Boiler ist das „Magnetventil“. Lediglich in ihren Abmessungen sind sie, bauartbedingt, verschieden.
Bei den Heizungen spricht man zudem von „Baureihe 1 und 2“.
Das betrifft dann das „Bedienungsgerät für die Temperatursteuerung/ Voll- und Halb-Betrieb/ Ventilatorbetrieb(Umluft durch die Heizungskanäle), und natürlich die EIN-/Ausschaltung“ UND die Steuerplatine, die direkt an der Heizung oder auch im nahen Umfeld verbaut ist.
Bei der E2300/3300 ist nur der WEIßE „Bedienungsschalter“ mechanisch, bimetallmäßig unterstützt;
Bei den BRAUNEN Bedienungsschaltern dieser Hezungstypen wird hier schon „elektronisch geregelt“. (Beide Teile gibt es noch(s. Link unten))
Das gilt auch für die Baureihe(BR) 1 und 2
Sicherungen auf der Steuerplatine
-E2300/3300 hat keine; nur die Zugangssicherung zur Heizung (Typ: FLINK!!!)
In der Baureihe 2 sind auf der Steuerplatine 2 Sicherungen verbaut!
Ein Auswechseln der Teile, Bedienungsteil BR 1 zu einer Steuerplatine BR 2, ist „unverträglich!!
Und genau so ist es umgekehrt!
-Truma-Boiler , Bo1, siehe "Hier"
Wer nicht selber reparieren will, siehe Link unten
—-
Schaltpläne zu diesen E-Heizungen/Boiler gibt es keine.
Sie sind somit fast nicht zu reparieren, d. h., es gibt weiterhin nur Teile, die auch noch in den heutigen Heizungen Verwendung finden. Die BAUTEIL-Nummern sind gleich geblieben!!!!!
Das Bedienungselement(Einschalter mit Temperaturregelung)ist eigentlich über Jahre funktionssicher, ein Defekt selten, dafür sind aber mechanische Beschädigungen, wegen Unachtsamkeit der Nutzer, häufiger.
Der Eingriff in die Heizungs-/Boiler-Gasanlage ist ÄUßERST GEFÄHRLICH!!
Eine Gasdichtigkeitsprüfung in diesem Bereich ist nach jedem Eingriff vor neuer Inbetriebnahme durch dafür qualifizierte und berechtigte Personen UNBEDINGT erfoderlich.
Alle hier angesprochenen Produkte sind im Laufe der Jahrzehnte mehrfach in ihrer Funktion, sowie in der Bezeichnung von Truma geändert worden.
Überblick
Von Truma gibt es zu der E-2300/ 3300 keine Service-Unterstützung mehr.
- diese Heizungen haben 2 Wärmeaustrittsöffnungen
Besonderheiten:
- sie sind in den Abmessungen klein
- lassen die verschiedensten Einbaulagen zu (auch UNTERFLUR,wichtig – je nach Ausstattung–)
- leicht einbaubar
- wartungsarm
- sind leise
- temperaturgeregelt (im Einbausatz dabei)
- „strom- und auch gasbillig“
Voraussetzungen:
- einwandfreie Abgasführung
- einwandfreie, SICHERE Zuluftführung direkt an der Heizung (s. Einbauanleitung)
- Bedienungsteil-Montage (Einschalter mit Thermo-Raumregulierung) etwa in 70cm Höhe vom Boden, mit GUTER Durchlüftungsströmung im Einbau-/Meßbereich, damit das Thermostat sofort auf Temperaturänderungen reagieren kann.
- relativ kurze Zuleitung von der Batterie
Ausbau der Heizung E2300/3300
ER IST NOTWENDIG, wenn man an die Steuerplatine, Thermostatpltine, Lüfter zu arbeiten hat.
Die Heizung wird beim Sven Hedin nach innen ausgebaut; der Kamin braucht nicht abgebaut zu werden.
Die Abgasöffnungen der einzelnen E-Heizungen sind je nach Typ im Kaminausgang unterschiedlich.
-E2300/3300/1800 zentrisch/mittig
-E2400 exzentrisch
Dieser Typ Heizung ist mit 2 Stahlbändern, vor und hinter der Heizung, mit jeweils 2 sehr langen Kreuzschrauben befestigt.
Dazu muß man vorher die „Sitzstabilisierung “ ausbauen und
-die „fliegende“ Sicherung in der Zuleitung, kurz von der Heizung, trennen
-„Warmluftschläuche“ abnehmen; HINWEIS: sie sind an der Heizung mit kleinen Kreuzschlitzschrauben verschraubt!!
-die Gasflasche zudrehen
-Gasschalter für die Heizung zudrehen
-Gasleitung an der Heizung trennen
Nach Abschrauben der Stahlbänder, ist die Heizung VORSICHTIG, mit leichte kurzen Drehbewegungen (links + rechts) nach oben herauszuziehen, GRUND: der das Abgasendstück dichtigkeitsichernde Silikon-„O“-Ring für den Innenraum darf nicht verletzt werden!!!
Truma-Teile Nr. O-Ring 40×2,5 rot , 34010-05700
-Die Heizung „hängt“ jetzt aber immer noch an dem Kabel, das vom Bedienungselement kommt!!! deshalb hat man zum weitern Abbau der Verkleidung nur ganz wenig „Länge“. Die Demontage muss also im direkten Bereich der Sitzbank erfolgen. Dazu ist die Heizung entsprechend zu „Stützen“.
Grobe Inspektion
-Sicherung i. O.?
-Spannung an Batterie/Sicherungshalter(Eingang/Ausgang) o.k?
-Sicherungshalter(Anschluß, Korrosion) i. O.?
-schaltet der Temperaturregler(Bedienteil)einwandfrei?
-Masseanschluß auf Platine fest?
-Luftzuführung frei?
-Ventilator läuft einwandfrei?
-Venilator-Lamellen sauber?
-Windfahne mit Microschalter funtioniert? Vorsicht: beide Teile sind sehr empfindlich, und es gibt keinen Ersatz! Wenn der Ventilatormotor nicht seine vorgegebene Drehzahl erreicht, werden weitere Funktionsabläufe nicht mehr durchgeführt und die Heizung geht auf Störung; der Grund dafür sind dann auch verschlissene Kohlebürsten, die einen gleichmäßigen Drehzahlverlauf verhindern.
-Steuerplatine „sichtbar“ ohne Brennstellen, keine Fettflecken um die größeren Kondensatoren(die kleinen Pöttchen)?
-Wärmesteuerplatine am Wärmeaustritt unbeschädigt/nichts verkokelt?
Gaskomponente:
-Magnetventile auf Durchgang überprüfen; sie haben unterschiedliche Widerstandswerte
ALLE Bereiche der Gasdurchgänge nicht mit NADEL o. ä. durchstoßen. Meistens wird genau diese Stelle als „total verunreinigt“ im Rahmen der Überprüfung fälschlicherweise festgestellt; und das hat „teure Folgen“.
Es befinden sich dort kleine Metallnetze, die der Flammsicherung dienen!!!
Werden diese durchstoßen, ist anschliessend die GESAMTHEIZUNG nicht mehr sicher!! abgesehen davon, werden die Zugänge im Bereich der Magnetventile/Düse verunreinigt/verstopft. Die Magnetventile sind UNBRAUCHBAR und müssen getauscht werden!!!
Es wird hier nochmal darauf hingewiesen, dass diese Arbeit in die Hände eines Gassachverständigen gehört.
**was man nicht tun darf**
-„grössere Sicherungen“ einbauen
-Sicherheitssensoren, wie die Temperaturbegrenzer, Thermosicherung, Windfahnenschalter überbrücken/kurzschliessen
-Massepunkte in den vorgegebenen Positionen ändern/verlegen; dies führt mit 100% zur Zerstörung der Steuerplatine, weil damit das Massepotential auf der Platine verändert wird (direkte Hochspannung – 10.000 Volt – wird direkt auf die Platine gelegt)
-Brennkammer öffnen (es besteht normalerweise keine Notwendigkeit)
Jetzt zur Funktion, die im Prinzip für alle E-Heizungen gilt
Das Bedienteil
An ihm wird entweder
- der Ventilator als Umluft-Kühler oder
- die Heizung in zwei verschiedenen Umluftdrehzahl/Heizungsstufen eingeschaltet
und
- Die Wunschtemperatur an einem Thermostatknopf eingestellt.
Ferner sind eine rote und eine grüne Kontroll-Lampe zur Signalisierung des Betriebszustandes vorhanden.
Es gibt 2 Ausführungen:
-die „Alte“; sie hat noch eine einfache , mechanisch verstellbare Bimetallfeder-Steuerung und ist hier gezeigt.
-die „Neue“; sie wird schon elektronisch gesteuert. Dazu gibt es keine offiziellen Unterlagen. Sie wird im Folgenden gezeigt.
Die "Alte"
Die "Neue"
Von den Schaltern und der Bedienung entspricht das neuere Bedienteil zu100% dem alten. Es wird lediglich anstelle des Bimetallschalters eine Elektronik mit Operationsverstärker-IC verwendet.
Hier Abbildungen der "Neuen" (zum Vergrößern bitte in das Bild klicken):
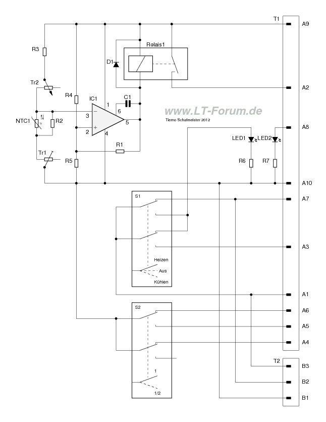
Layout, Elektronische Schaltung und Stückliste
Die elektronische Schaltung ist dabei sehr überschaubar gehalten und es finden nur Standard-Bauteile Verwendung, die auch heute leicht erhältlich sein sollten.
Stückliste
| Lfd. Nr. | Bez. | Daten | Kommentar | |||
| 1 | S1 | 16 | V | 8 | A | Umschalter 2-pol m. Mittelstellung |
| 2 | S2 | 16 | V | 8 | A | Umschalter 2-pol |
| 3 | Relais1 | 250 | VAC | 8 | A | Kartenrelais liegend „Rapa“ |
| 12 | V | 50 | mA | Spulendaten | ||
| 4 | R1 | 680 | k | 0,25 | W | Widerstand Kohleschicht 5% |
| 5 | R2 | 5,6 | k | 0,25 | W | Widerstand Kohleschicht 5% |
| 6 | R3 | 2,7 | k | 0,25 | W | Widerstand Kohleschicht 5% |
| 7 | R4 | 4,7 | k | 0,25 | W | Widerstand Kohleschicht 5% |
| 8 | R5 | 4,7 | k | 0,25 | W | Widerstand Kohleschicht 5% |
| 9 | R6 | 470 | Ohm | 0,25 | W | Widerstand Kohleschicht 5% |
| 10 | R7 | 470 | Ohm | 0,25 | W | Widerstand Kohleschicht 5% |
| 11 | Tr1 | 1 | k | Trimmer RM5 stehend | ||
| 12 | Tr2 | 2,2 | k | Trimmer RM10 liegend | ||
| 13 | NTC1 | 10 | k | Temperaturfühler | ||
| 14 | D1 | 1N4148 | Freilaufdiode Standard | |||
| 15 | LED1 | 5 | mm | Farbe Grün | ||
| 16 | LED2 | 5 | mm | Farbe Rot | ||
| 17 | C1 | 47 | nF | nachträglich an IC1 gelötet, Sibatit | ||
| 18 | IC1 | TAA765 | Siemens | Operationsverstärker OC, 70mA | ||
| 19 | T1 | 10 Stk. Lötnägel D=1mm | ||||
| 20 | T2 | 3 Stk. Lötnägel D=1mm |
Steuerplatine
Sie gibt es bei Truma schon seit Jahren nicht mehr. Hilfe kann man noch über u. a. Link bekommen; Austauschkosten bei „unverbastelter Platine“ sind dort auch zu ermitteln (ca. 100 €). Immerhin noch erheblich billiger als eine neue Heizung.
Vorher kann man vielleicht noch einen Blick auf
-die „großen“ Kondensatoren werfen; ausgelaufen, ausgblüht, dick?
-die Kontaktstifte werfen
Wichtig ist, dass der vorhandene „Masseanschluß“ genutzt und „nicht geändert wird“
Dies führt dazu, dass die „im Funktionsablauf erzeugte Hochspannung“ u. U. direkt auf die Platine gelegt wird und sie zerstört!
Besonderheiten, s. u.
Funktionsablauf
• Heizung einschalten:
• Die Heizung beginnt erst zu laufen, wenn STROM und Gas anliegen; das bedeutet, die Einschalttemperatur muss am Raum-Thermostat höher sein, als die Außentemperatur ist
• Jetzt wird von der Steuerelektronik erst ermittelt, ob der Heizungsventilator seine volle Umdrehungszahl erreicht. Mangelnde Zuluft und schwache Batteriespannung werden hierbei bemerkt(s. o.).
• Dann wird das Magnetventil sofort geöffnet (lautes Klackgeräusch)
• Nach ca. 10 Sekunden ist die notwendige Zündspannung aufgebaut und die erste Zündung erfolgt (ein heftiges „BLAFF“); dies geschieht also erst, wenn die notwendige „Zündspannung von etwa 18.000 kV“ erreicht ist. Kontrollieren kann man das, wenn man auf der Steuerplatine die „Funkenstrecke/Glimmlampe“ ca. 2-3 mal aufleuchten sieht
• Heizung läuft, bis die voreingestellte Warmlufttemperatur erreicht ist. Dieser Temperaturschalter ist auf einer Platine , nahe des Wärmeaustritts, montiert; er unterbricht durch die Elektronik die Gaszufuhr (damit wird eine Überhitzung ausgeschlossen); das Gasventil macht zu, der Ventilator läuft weiter, bis ein zweiter Temperaturschalter (auch dort angebracht) meldet, Heizung kann wieder mit Gas versorgt werden. Dieser Vorgang wiederholt sich, bis der Temperaturfühler im BEDIENUNGSELEMENT sagt, dass die gewünschte Temperatur erreicht ist. Und später fängt das „Spiel“ wieder von vorn an.
Besonderheiten, s.u.
Die Schwachstellen:
Sicherungen
• Sicherung(en) überprüfen:
• Von Batterie zur Heizung bei E-2300/3300 (s. o.)
• im Steuergerät (ab Baureihe 2 (Stück), s. E-1800/2400
Bedienteil
• im Bedienteil das „erlahmte“ BIMETALL , s. o.
Lüftermotor, abgebrannte "Kohlebürsten"
Man vergisst, dass der Lüftermotor auch zur „Kühlventilation“ eingeschaltet wird. Dabei werden die Bürstenkohlen weiter strapaziert.
• im Lüftermotor; neue Kohlen haben eine Länge von ca. 1 cm. Bei Truma unter der Nr. 39010-17400 rot/schwarz noch erhältlich. Ca. 16 € +Versand; geht nur per Nachnahme.
Dieser Kohlebürstensatz passt auch zur E-2800; die gezeigten Ersatzkohlehalter sind für 12V-Motoren!!
Abgebrannte Kohlebürsten sind ein häufiger Fehler bei unzuverlässiger Heizungsfunktion.
Magnetventil
• Es sind 2 Spulen, die den Gaszufluß mittels zweier Ventile für Voll- bzw. Halblast schalten. Diese Ventile werden mangels Bewegung oftmals schwergängig. Und das führt dazu, dass sie nicht mehr öffnen und die Gaszufuhr unterbrochen bleibt.
Bilder zeigen das Magnetventil mit den beiden , links und rechts mit je einer Mutter befestigten Spule.
Diese Spule ist nur über das eigentlich „Messingstück“ rübergeschoben.
Die Spulen haben unterschiedliche Widerstandswerte (auch im eingebauten Zustand meßbar), und steuern so den Gasfluß für VOLLE bzw. HALBE LEISTUNG elektronisch.
Die Magnetspulen sind abnehmbar (abschrauben)
Das Ventil ist im Messingteil und meistens nur „verklebt/verharzt/korrodiert“.
ES IST NICHT REPARABEL!!
Abhilfe
- mit Föhn anwärmen, um „Verharzung zu reduzieren“. GASZUFUHR UNBEDINGT UNTERBRECHEN!!!!!
- dann leichtes Gegenklopfen und
- öfters, kurzzeitig (1/2 Sekunde), Spannung an die Spule anlegen, bis es „klickt“
Thermostatplatte der E 2300 / 3300
Sie sind bis heute „funktionsmäßig“ bei fast allen E-Modellen gleich geblieben.
Original-TRUMA Art.Nr.:39080-03500, kostet so 25 €.
Gleiches gilt für die Thermostatsicherung(184 Grad),
Origina-Truma Art.Nr.: 39010-15700, kostet so 2 €.
in der Mitte der Platine sieht man die Position der Thermosicherung (mit Bleistift gekennzeichnet)
Hier sieht man die Positionen der Temperaturschalter
• Die Temperaturschalter, die am Auslass zu den Heizungsschläuchen verbaut sind, haben die Bezeichnung
L150°C 36TX01 1783 10/230…;
F50°C 36TX02 1782 10/230…;
Es sind die in ihrer Original-Bezeichnung F50 Grad C und L150 Grad C ,
die es noch bei CONRAD gibt.
Der hohe Wert steht für „Überhitzungsausschaltung“ und der untere, für die „mögliche, automatische Wiedereinschaltung“ der Heizung. Aber, das weiß der Fachmann genau auszuwerten.
Außerdem ist beim Einbau darauf zu achten, dass diese Teile beim Einlöten nicht zu heiß werden(Wärmeabfließzange o. ä. verwenden).
**150°C Schalter** für ca. 4 €
Außerdem ist auf dieser Platine noch eine THERMOSICHERUNG platziert (sie ist im Bild zwischen den beiden Thermoschaltern zu sehen), die bei Überhitzung, ähnlich wie bei der Kaffeemaschine - und auch genau so aussieht - , durchbrennt, und ERNEUERT werden muß
Wert der Thermosicherung 184 Grad; Werte s. o.
Zudem ist es möglich, dass bei neueren Modellen der TRANSISTOR für die Drehzahlregelung des Lüfters defekt ist. Bei den „alten“ gibt es noch eine Lüfterfahne mit Mikro-Schalter, die beim Ausbau PROBLEMATISCH ist.
Wichtig
Die Sensoren dürfen nicht „überbrückt/kurzgeschlossen“ werden. Die Elektronik geht sofort auf Störung.
Thermostatplatte bei der E-2400
sie ist anm Ausgang der Heizung zu finden.
Truma - Ersatzteilnr: 39050-03500 ; kostet ca. 27 €
Thermostatplatte bei der E-2800
sie ist an den Ausgängen der Heizung zu finden.
Truma - Ersatzteilnr: 39080-03500 ; kostet ca. 27 €
Bei Defekt läuft sie „immer, aber heizt nicht“ oder gar nicht, weil die Thermosicherung(das längliche Teil, wie in der Kaffeemaschine) durchgebrannt ist.
Der Austausch ist problemlos.
Verpuffungs-/Explosionsgeräusche bei der E 2300/3300
Die herkömmlichen Einschaltgeräusche sind bei der E 2300/3300 unauffällig,
-Ventilator schaltet „summend“ ein
-der Magnetschalter „klickt“
-die Heizung zündet mit „blaff“, alles innerhalb von ca. 15 Sekunden, und läuft.
Und plötzlich hat man beim EINSCHALTEN oder „UMSCHALTEN von ½- auf volle Leistung“ ein „Verpuffungs-/Explosionsgeräusch“, völlig anormal!!!
Hier ist GEFAHR in VERZUG und sofortiges Handeln notwendig!!!
HEIZUNG NICHT WEITER BETREIBEN!!!
Erklärung dieser EXPLOSIONSGEFAHR
1. Möglichkeit
Die Elektronik geht im Start immer von einer Grundposition aus, d. h., z. B.
-Heizung auf VOLLE Leistung, und arbeitet ihr Programm ab; alles einwandfrei.
-Jetzt greift man in diesen Ablauf „manuell“ ein und schaltet auf HALBE Leistung.
Hierbei treten u. U., auch altersbedingt, bauteil-lastabhängige Grenzbelastungen für entsprechende Bauteile auf der Platine auf, worauf diese ihren Dienst vielleicht quittiert.
Deshalb sollte man bei diesen Heizungen das UNMITTELBARE Umschalten „vergessen“, und die Heizung zunächst GANZ ausschalten, also auch warten , bis der NACHLAUF abgeschlossen ist.
2. Möglichkeit, **LEBENSGEFAHR**
Hier ist zu vermuten, dass die BRENNKAMMER defekt ist, weil
-vorne im Luftaustritt die für dieses Modell leider sehr typischen Hitzerisse aufweist.
-möglich wäre auch eine defekte Dichtung unter dem Brenner oder aber, dass eventuell in die Brennkammer auch unkontrolliert Nebenluft kommt , was eine eventuelle „Nachzündung“ erklären könnte.
Die Schwachstelle dieser Heizung liegt ziemlich genau in der Mitte des Wärmetauschers, wo sich durch extreme Temperaturdifferenzen häufig Spannungsrisse von der Naht nach Außen zu den Lamellen bilden.
Dieser Schaden ist typisch für E2300 und E3300, da diese Modelle noch kein Flammrohr im Inneren besitzen, somit die Flamme also direkt auf das Alugehäuse losgeht; im Heizkanal wird es da natürlich extrem heiß, während auf der Seite des Kamins die Abgase dagegen deutlich kälter sind, was leider irgendwann zu diesen Spannungsrissen führt.
Folgemaßnahme
Austausch der Brennkammer, bzw. ab in die Werkstatt damit, oder eine Neuanschaffung in Betracht ziehen.
GANZ WICHTIG:!!!!! für die Gasprüfung/TÜV
Die immer wieder kommende Frage:
Bekomme ich eine Truma E 2300/3300 heute (1/2022) noch durch eine Gasprüfung?
Die TüV-GAS-Sachverständigen sind mehrheitlich immer noch der Meinung, dass diese E 2300 nach 30 Jahren NICHT mehr zugelassen werden darf.
Kommentar dieser Experten war dazu, (außer, weiß ich so nicht oder/und einem klaren NEIN bei verschiedensten Anrufen beim jeweiligen TüV in den verschiedensten Bundesländern):
„Ja, dann müssen Sie sich eine neue Heizung einbauen lassen“. Eine nicht zufriedenstellende Aussage!
Und da liegen ALLE falsch!!!
Selbstverständlich!!! Darf ich die Truma E2300/3300 immer noch zugelassen bekommen
Hier etwas Hintergrundwissen:
Auszüge aus einer TRUMA-Information:
Anfang:
„Auswechseln von Wärmetauschern bei Kraftfahrzeugen Nach der Straßenverkehrsrichtlinie „Technische Anforderungen an Fahrzeugteile bei der Bauartprüfung nach § 22a StVZO“ vom 05.07.73, mit allen Änderungen bis zum 17.04.89, wurde in der TA Nr. 27 bei Heizgeräten für flüssige Brennstoffe das Austauschen der Wärmetauscher nach 10-jähriger Verwendung vorgeschrieben. Bei Heizgeräten für gasförmige Brennstoffe gab es diese Vorschrift nicht.
Der Grund lag vermutlich an den Verbrennungsrückständen und an der Abgaszusammenstzung. Bei der Verbrennung von Flüssiggas entstehen keine korrosiven Bestandteile, welche den Wärmetauscher angreifen können, wie es bei der Verbrennung von flüssigen Brennstoffen der Fall ist.“ …….
weiter
…“ Gemäß Mitteilung des Forschungsinstitutes für Kraftfahrwesen und Fahrzeugmotoren Stuttgart - FKFS - besteht aufgrund des Inkrafttretens der TA 27 in der Fassung vom 19. März 1990 für Geräte, deren Bauat- genehmigung auf der Basis einer früheren Fassung der TA 27 erteilt wurde, keine generelle Verpflichtung, einen Austausch des Wärmetauschers und der Abgasrohre vorzunehmen. Demzufolge und unter Berücksichtigung bestehender Übergangsfristen sind die in Rede Stehenden Geräte im Rahmen der technischen Überwachung i.d.R. nicht vor dem 19. März 2003 zu beanstanden.“ …
Ende des Auszuges
Kommentar dazu:
Seit langem ist das also bekannt (2003). Mag sich jeder seinen eigenen Reim draus machen.
Fazit:
Das bedeutet, die Heizung muss „funktionieren“.
Absolute Dichtigkeit des System ist Voraussetzung.
Leitungen und besonders „flexible“ müssen TOTAL in Ordnung sein
Bei der Gasprüfung ist
-die E2300/3300 kein Problem
-Das Gutachten „für Wärmetauscher (WT) , herkömmlich auch „Brennkammern“ genannt, ist bei TRUMA erhältlich
UND diese Teile unterliegen der 10-Jahres-Prüfung
-Tanks
-Gasflaschen
-Gasregler(Beginn der Zeitrechnung ist das Herstellungsdatum !!)
Betriebsregeln mit entsprechenden Voraussetzungen für „das Betreiben bestimmter Geräte während der Fahrt“ sind hier nicht aufgeführt.
Ersatz-Platinen im Austausch
Sie gibt es noch hier,
Austauschpreise bei "trumareparatur.de"
Beispiel für
-Heizung E2300 , 80 € oder
-Boiler BR1,die BO192 , 80 €, jeweils + Versandkosten
Es gibt für diese Heizungen jetzt auch die Truma Universal-Elektronik SE 92-3 Sie ersetzt auch das Vorgängermodell SE 62!
für folgende Gasheizungen der E-Typen / Baureihe 2:
E-1800 (ab Baujahr 1989)
E-2400 (alle, bis Produktionsende )
E-2800 (ab Baujahr 1991 bis Produktionsende)
E-4000 (ab Baujahr 1991 bis ca? 2011, nicht für neue Geräte)
Reparaturhilfe
Unter diesem Link findet man einen ausgezeichneten, seriösen Fachmann mit sehr viel Erfahrung auf diesem Gebiet
Umrüstung der Heizung von "50mb auf 30mb"
Alte „50mb“ Heizungen können Von TRUMA auf „30mb“ umgerüstet werden.
Das wird nach meinem jetzigen Wissenstand aber nur IM WERK durchgeführt, da gleichzeitig der Heizung ein neues „TYPENSCHILD“ verpasst wird; und nur von dort bekommt man es!
Eigentlich wird lediglich die Gasdüse ausgewechselt. Aber es wird nur im Werk durchgeführt. Kosten liegen etwa bei 100.- E +Versand.
Dauer der Umrüstung im Werk mit tel. Voranmeldung ca. 1 Stunde.
—gerald 17:23, 18 September 2017 UTC ; update: 2021/10/18 15:23 von gr ; 2022/01/17 14:00
Zurück zu Start , Reparaturtips






























